Waverly 3-On-Plate Guitar Tuners with Mother of Pearl Knobs for Slotted Pegheads
Modern precision and vintage style for slotted headstock steel-string guitars. For decades, Waverly tuners have been the standard by which all other tuners are measured. Experience the tuning stability and performance you’ve been missing.
For maximum tuning accuracy, our precision plate-style 16:1 machines feature the same gears and patented threaded worm bushings found on all Waverly’s. The brass string posts are mounted on polished brass baseplates for true elegance and style.
Each baseplate is precision CNC machined out of solid brass for perfect alignment in the headstock. These artistically engraved plates age to a handsome patina for the look and feel of quality.
Direct replacement design
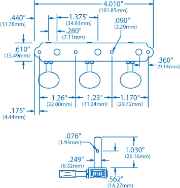
No need to drill additional mounting holes when replacing similar vintage machines on older Martin, National, and Dobro guitars. Refer to the specs for dimensions to compare to your instrument’s tuners.
Precise tuning song after song
The 16:1 gear ratio design features our patented threaded worm bushings to eliminate looseness, for impressively smooth operation. You play in tune and stay in tune.
Long life with less wear
The stainless steel worm gears have twin bushings for unrivaled life year after year. The string post gears are machined from bronze alloy, which is much more durable than brass. Brass string shafts are 1/4″-diameter with 1-3/8″ (34.93mm) spacing.
The genuine Mother of Pearl knobs have a natural iridescence, shine, and figure that stands out from plastic imitations. Tuner set includes slotted, round-head mounting screws.
Built with the finest materials
- Polished solid brass baseplates
- Precision CNC machined baseplates for perfect alignment
- Stainless steel worm gear
- Nylon worm gear bushings for smoother feel
- Machined bronze alloy string post gear
- Machined brass 1/4″ string posts
- Vintage-style slot head screws
Specifications
- Modern 16:1 gear ratio
- Mother of Pearl knobs
- 1/4″ string posts with 1-3/8″ spacing (34.93mm)
- Mounting hardware included
- Set of two plates: 3-left/3-right tuners
Installation Tips
Drill pilot holes for for mounting screws:
Installing delicate screws into hard wood requires great care and accuracy. We highly recommend the #1712 Depth-stop Drill Bit (5/64″ bit) for the pilot hole before installing these screws. Lubricate the screw threads with cutting lubricant (also wax or a bar of soap) to reduce friction and help them thread properly.
Waverly Tuning Machines: The Choice of Renowned Guitarmakers
| Altman Bear Creek Beard Bedell Guitars Borges Bourgeois Breedlove Buscarino Collings Franks Froggy Bottom Galloup Gibson Goodall | Hooper Huss & Dalton Kallenbach Knaggs Ko’olau Kopp Larrivée Lewis Lucas Maingard Martin Merrill National | Paul Reed Smith Proulx Rockbridge RoZaWood Sams Santa Cruz Schaefer Schoenberg Sexauer Skipper Steinegger Tippin Webber |
“They hold their tune and look superb…of course I recommend Waverly.” —Dick Boak, Martin Guitars
“Our favorite tuners.” —Collings Guitars
“The best tuning keys on the market.” —Tony Rice
“Anyone using a lesser tuner is making their life more difficult.” —Jorma Kaukonen
“Fast and precise retuning on stage or in the studio is no longer a problem, and finally the tuning machines look as good as the instrument. What did we do before Waverlys?” —Steve James, Austin TX
“Fast tuning on stage or in the recording studio…smooth action and good weight.” —Herb Pedersen
“They work as beautifully as they look. The very best!” —Jim Merrill, Merrill Guitars
“Simply the best tuners available for acoustic guitars—I wouldn’t use anything else.” —Dakota Dave Hull
“Like putting a Rolex on your guitar!” —M.J. Franks Guitars
-
- Item #
- Weight
-
- 3523-BR
- 0.570 lbs. (0.25 kg)



















Reviews
There are no reviews yet.