Sloane Classical Guitar Tuners with Snakewood Knobs and Flower Baseplates
The choice of renowned luthiers, hand-made Sloane classical tuners are the first choice for many fine concert guitars. Superior quality components, innovative design, and meticulous craftsmanship combine for tuning performance that’s second to none. Conceived by pioneering luthier Irving Sloane—now crafted and refined by Waverly.
Superior design
- Improved powder-coated aluminum rollers with brass inner shafts and brass-lined string mounting holes. No cracking, no premature wear.
- Patented bushings eliminate looseness in the worm gear, for impressively precise tuning and smooth feel.
- Baseplates and support posts are one-piece CNC machined brass, more stable than common riveted assemblies.
- Precision ball bearings on each string roller prevent binding for a new level of smooth, effortless tuning for the performing artist.
Long-life gears
- Bronze alloy 16:1 crown gears are more durable than the brass gears used in other tuners.
- Stainless steel worms and screws assure longer life with less wear.
With its beautiful color variation, the exotic snakewood knobs are ideal for a non-traditional, modern look. The brass baseplates will attain a handsome antique patina.
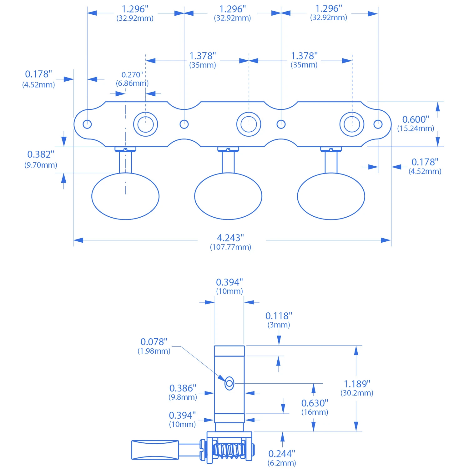
Specifications
- Modern 16:1 gear ratio
- Snakewood knobs
- 3/8″ (9.8mm) diameter string rollers with 13/32″ (10mm) ball bearings
- 1-3/8″ string roller spacing (35mm)
- Mounting hardware included
- Set of two plates: 3-left/3-right tuners
Installation Tips
Drill pilot holes for for mounting screws:
Installing delicate screws into hard wood requires great care and accuracy. We highly recommend the #1711 Depth-stop Drill Bit (No.50 bit) for the pilot hole before installing these screws. Lubricate the screw threads with cutting lubricant (also wax or a bar of soap) to reduce friction and help them thread properly.
Sloane tuners are the choice of renowned luthiers
Greg Brandt, USA
Greg Byers, USA
Rolf Eichinger, Spain
Jean-Marie Fouilleul, France
Armin Gropp, Germany
Armin Hanika, Germany
Hill Guitars, USA
Bert Kwakkel, Netherlands
David LaPlante, USA
Augustino Lo Prinzi, USA
Maingard Guitars, South Africa
Hiroshi Mizuhara, Japan
Thomas Rein, USA
Dake Traphagen, USA
Otto Vowinkel, Netherlands
-
- Item #
- Weight
-
- 100626
- 0.658 lbs. (0.29 kg)





















Reviews
There are no reviews yet.