KTS Titanium Saddles for ABR-1 Tune-o-matic Bridge – Set of 6
Want to wake up your Tune-o-matic? Upgrade with Titanium!
Top builders and players swear by the tonal benefits of titanium saddles. Titanium is lighter than steel, but much harder. These saddles are extremely durable, resist corrosion, and can improve tone and sustain.
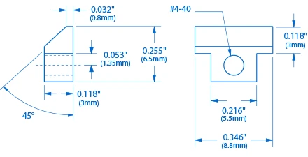
These KTS saddles are a drop-in replacement for your vintage Gibson® or our Original ABR-1 Tune-o-matic bridge. They have the same shape and threads just like your original saddles. They’re precision crafted in Japan to ultra-high tolerances.
How do they sound?
Installing titanium saddles will instantly change your tone. Users report that their guitars have more note separation and improved string to string definition. Many also say the lighter weight makes the guitar more dynamic and improves harmonic content.
KTS Titanium saddles are installed by The Gibson Custom Shop, The Fender Custom Shop, Tom Anderson Guitar Works, The Ibanez Custom Shop, Michael Tobias Design, Lentz Guitar, Manson Guitar Works, and many more.
Please measure your bridge before ordering.
Tip: Slotting Tune-o-matic style saddles
Nut slotting files work great for titanium saddles. Choose your file size as you would when slotting a nut: use the same gauge as the string, or a few thousandths larger. After filing to the desired depth, we suggest polishing the slot with Mitchell’s Abrasive Cord to remove file marks and burrs.
-
- Item #
- Weight
-
- 4635
- 0.040 lbs. (0.02 kg)















Reviews
There are no reviews yet.